Mau Membongkar Kepala Silinder Sepeda Motor 4tak? Berikut ini SOP nya

Halo sobat, bertemu lagi dengan saya, terimakasih telah berkunjung di blog saya. kali ini saya akan berbagi tentang jobsheet pembongkaran karburator konvensional sepeda motor. di dalam praktikum, diperlukan jobsheet agar siswa dapat melakukan pembongkaran sesuai dengan SOP.
Hal ini dilakukan agar komponen dari sepeda motor tidak rusak atau salah memasang. berikut ini jobsheetnya


Pembongkaran Kepala Siliner Sepeda Motor 4tak


Tujuan:
- Setelah  melakukan praktikum  ini,  siswa  diharapkan dapat melakukan pembongkaran, pemasangan serta pengukuran Kepala Silinder beserta kelengkapan Sepeda Motor 4tak dengan baik dan benar
 - Setelah  melakukan  praktikum ini,  siswa  diharapkan  dapat mengetahui komponen dan fungsi komponen kepala silinder pada  sepeda motor 4 tak  dengan  baik dan benar.

 Keselamatan Kerja : 
- Tidak bergurau saat melakukan praktikum
- Jauhkan benda-benda yang mudah terbakar
- Bersihkan kembali peralatan yang kotor
- Mengembalikan peralatan pada tempatnya

Alat dan Bahan: 
- 1 unit sepeda motor 4 tak
- toolbox berisi kunci 1 set dan obeng
- Palu karet
- Obeng ketok (Vesel)
- Nampan/bak/ember

Langkah Kerja:
  • siapkan 1 unit sepeda motor 4 tak
  • panasi sepeda motor kurang lebih 2 menit agar oli dapat bersirkulasi dengan baik
  • tunggu beberapa saat, lalu buka baut penutup oli. tap (kuras) oli samapi tidak bersisa dengan cara memiringkan kendaraan. catatan: jangan gunakan kompresor udara
  • serapatkan tanda (a) pada magnet dengan tanda (b) pada deck (cover) crankcase. lihat gambar dibawah ini


  • Putar poros engkol berlawanan dengan putaran arah jarum jam sampai pada tanda “I” (c) bertemu dengan tanda (d) pada kepala silinder. Pada saat itu Piston berada pada titik mati atas (TMA) langjkah Kompresi. lihat gambar dibawah ini


  •  kendurkan baut nomor satu,
  • lepaskan tensioner rantai kamprat (cam)
  • lepaskan gasket tensioner rantai kamprat (cam)
  • lepaskan gear kamprat (sprocket cam)
  • lepaskan rantai kamprat (c)
  • jaga agar tali tidak bergeser masuk ke dalam crankcase
  • lepaskan baut (1) sambil tahan baut pengunci magnet
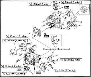
  • buka baut pengunci kepala silinder, buka baut secara menyilang, contoh: membuka baut dengan urutan  no 3, 4, 5, 6, 1, 2
berikut gambar kepala silinder setelah dilakukan pembongkaran. 


diharapkan setelah melakukan pembongkaran, siswa dapat mengetahui nam dan fungsi komponen kepala silinder dengan baik dan benar. jika ada pertanyaan silahkan ditanyakan kepada guru agar informasi dapat disampaikan dengan benar, dan tidak merusak komponen dalam kepala silinder


##############################################################################


demikian contoh jobsheet kepala silinder dari saya, jika ada yang ditanyakan silahkan kirim kolom komentar


Komentar

Postingan populer dari blog ini

merawat aki pada mobil toyota

Inilah 6 Standar Gambar (JISC, NNI, DIN, SNI, ANSI, ISO) dan 10 Peralatan Dasar Gambar Teknik

Pencegahan Avian Influenza